

Упаковка |
Кол-во |
|---|---|
|
Бухта
|
30 м.п.
|
Цена:
1311 ₽
за 1 м.п.
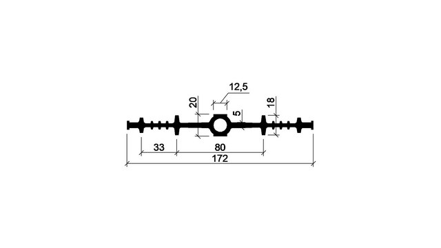
Гидрошпонки Аквастоп используются в гражданском и коммерческом строительстве.
Гарантийный срок хранения – 2 года.
Гарантийный срок эксплуатации – 5 лет при соблюдении технологии монтажа.
Устанавливается в средней части деформационного шва элементов конструкций.

Описание

Описание